MADEFAST Control via Systronix HPC2 Process Controller Board

MADEFAST Control via Systronix HPC2 Process Controller Board


This page contains:

Overview of Systronix HPC2 Process Controller Board and Optional Peripherals

On the left half of the board from left-to-right are the RS-232/RS-485 serial I/O, the beeper above and reset circuitry and LCD driver below, and finally the Dallas 2250 processor module mounted in a SIP socket. On the right half of the board are 12-bit analog input (ADC) across the top third, analog output (DAC) across the middle, and keyboard and digital I/O across the bottom. All of the I/O connections go to the 50-pin connector at the right edge, with ground wires interleaved to cut down on cross-talk.

An HPC2 board with peripherals connected: LCD display, membrane keypad with overlay, and programmer's development load/reset control buttons. (DTR on the serial connector can also be used to go into load mode, and there is provision for a separate reset switch on the board if desired.)

An HPC2 board next to a Systronix EuroCard sized enclosure with keypad and LCD mounted in it. (Shown for completeness and to indicate what a bezel might look like. This is of course not needed if we mount the electronics inside the seeker base and make our own bezel for the LCD and keypad.)

Systronix HPC2 Process Controller Board Specifications

MADEFAST seeker application details are in italics.

Component and jumper layout.

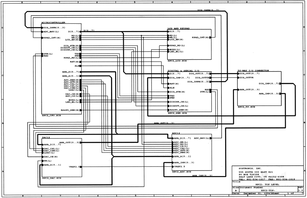
A top level block diagram of the board: Microcontroller, LCD and keypad driver, 12-bit digital and analog I/O.

Card size: EuroCard 100 mm x 160 mm (approx 4 inches x 6 1/4 inches)

Will fit easily in the 4.8 inch diameter by 8 inch long base tube, with another "glue" card interfacing to the seeker electronics modules.
Power Requirements: 5 vdc @ 150 mA, +-12 vdc @ 50 mA
Low power. Regulators can be put on the glue card to derive the controller power from the single servo amplifier power supply.
Processor: Dallas Semiconductor 2252T "SIP-stick"

Intel 8051 compatible microcontroller, 16 mHz clock, 128 Kbytes battery-backed up RAM, onboard timer-clock, etc. Supported by Systronix BASIC compiler with built-in device support library, hosted on a PC.

PID control algorithms go here, transposed from two_axis.c.

Analog Inputs:
4 channels, 12-bit auto-calibrating, voltage ranges (jumper selectable):
0-2.5 volts, +-2.5 volts, 0-5 volts.

Two from Position Sensing Device X,Y on Seeker optics, Two from X,Y Angular Rate Sensors on Seeker optics.

Analog Outputs:
4 channels, 12-bit laser-trimmed, voltage ranges (jumper selectable):
0-2.5 volts, 0-5 volts.

Two to torquer motor drive amplifiers on X,Y gimbal axes, Two to X,Y bias inputs of Rate sensors. (Can use fixed bias instead?)

Digital I/O:
One 8-bit input port, +-30 vdc max, static protected.

One 8-bit output port, will sink max 1/2 amp per pin @ 35 vdc.

For encoder interface, servo drive amp enable/inhibit inputs.

Serial I/O:
One RS-232/485 bidirectional, for download of compiled control code.

One RS-232 output, for logging.

Control I/O:
Optional keypad: 16 key, 3 3/4 inches square, 1/8 inch thick, customizable overlay membrane.

Optional backlit LCD display: 4 lines x 20 characters, 3.15 x 1.15 inch screen.

Onboard clicker/buzzer for audio feedback.

For adjusting PID gains, etc. Mount the LCD display and keyboard on the back of the base vertical plate with a power connector and on/off switch, and a DB-9 connector for software download. Could use audio feedback for tracking indication and eliminate the video camera?

Seeker Electronic Module Interfaces
(On or from the glue card)

Position Sensing Device:
Two +-5 vdc signals.
Servo drive amps (two):
Power requirements: 28+-4 vdc, max 300 watts each.
Signal voltages: selectable by adjusting the gains.
Connector: 20 .040 inch pins, .25 inch long, on .2 inch centers. (Socket available.)
Package dimensions: 3.3 x 2.3 x 1.2 inches.
Rate sensor (one, two-axis):
Power requirements: +15 vdc @ 10mA, +15 vdc @ 10mA.
Signal voltages: +-10 vdc
Connector: 7 wire ribbon cable.
Package dimensions: 3 x 2 x 1 inches.
Rotary encoders (two):
Logic-level Interface: One one-bit three-state bidirectional serial logic level line per encoder.
Serial Interface from optional convertor box: RS-232 stream containing 10-bit rotary position data from each of TWO encoders in 5-bit packets.

We will have to decide which RDT interface style is preferable. We now know both the RS-232 data protocol and the serial logic-level protocol. It turns out that the CED serial interface convertor is implemented by an Intel 8751 microcontroller, internally identical to the Dallas 2252, plus a small bit of circuitry connected to three digital I/O pins on the microcontroller. We could consider linking in the CED code as a low-level driver or just re-implementing the serial protocol in our own compiled code. The serial logic-level protocol is not complicated or difficult, and has no bothersome timing constraints.


Carolyn M. Valiquette
cvalique@cs.utah.edu